Prabha Deep Industries
Prabha Deep Industries



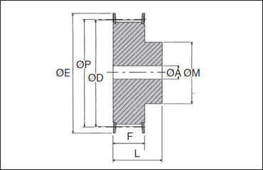
T10mm Pitch Timing Pulley Manufacturers in Ahmedabad

With the continuous support and sincere efforts put by our experienced professionals, we have been able to provide our clients a qualitative range of T10mm Pitch Timing Pulley. All Type T10mm Pitch Timing Pulley Manufactring Ahmedabad, Best Price, Good Quality Timing Pulleys. Leading Manufacturer 10mm Pitch Timing Pulley Stock Suppliers in india at low price according to International Standard, Using the ability of making innovation in product, we are also manufacturing a wide array of Providing you the best range of T10 Timing Pulley with Flanges 10mm Pitch 22 Tooth for 50mm, for Industrial Ahmedabad, all types of 10mm Pitch PB Pulley 25mm Wide Belt 28 Teeth with effective & timely delivery. We are offering them in different sizes as per capacities.